Ni Rf Switch Matrix

Pxi Rf Matrix Switch Module National Instruments

Pxi Rf Matrix Switch Module National Instruments

Ni Switch Modules Supported By Switch Health Center National Instruments

Ni Switch Modules Supported By Switch Health Center National Instruments

Advantages Of Ni Switches Ni

Advantages Of Ni Switches Ni

A Name Matrix The Matrix Topology Ni Daqmx Switch Soft Front Panel Help National Instruments

A Name Matrix The Matrix Topology Ni Daqmx Switch Soft Front Panel Help National Instruments

Getting Started With The Ni Switchblock National Instruments

Getting Started With The Ni Switchblock National Instruments

How To Create Custom Switch Topologies With National Instruments Switch Executive National Instruments

How To Create Custom Switch Topologies With National Instruments Switch Executive National Instruments

How To Create Custom Switch Topologies With National Instruments Switch Executive National Instruments

Hot swap l band matrix router switch for rf.

Ni rf switch matrix.

Switch matrix l band 32 x 32. Multiple units up to 256. Unlike a multiplexer a matrix can connect multiple inputs to multiple outputs organized as columns and rows. We can also custom design pxi lxi and vxi modules and rf switches for commercial military and private use.

Popular applications requiring rf matrices are ground systems test equipment and communication systems. Expandable in blocks of 8 8 up to 64 64 in a single unit. Dow key microwave offers top quality rf and microwave components that include high power rf switch designs coaxial switches and spdt switches waveguide microwave switches l band matrices and hundreds of custom rf switch matrix designs. Keysight has designed and built thousands of custom switch matrix using a mature development and delivery process.

Designed by the same rf experts who built the first catv remotely controlled rf agile monitoring system with that kind of history and know how you can count on rf switch matrices from corry micronics. You can connect any column to any number of rows and any row to any number of columns. An rf matrix is used in test systems in both design verification and manufacturing test to route high frequency. A new switch object would need to be initialized for every usb switch matrix that the user wishes to control.

If and l band routing matrix switch. Any of the three models can be supplied as either a 4 x 4 8 x 8 16 x 16 or 32 x 32 non blocking matrix. Examples visual basic public mypte1 as new mcl rf switch controller usb rf switch instantiate new switch object assign to mypte1. Pxi matrix switch modules use a variety of relay types including electromechanical armature relays reed relays field effect transistor fet relays and solid state relays each with their own benefits allowing you to choose a matrix that fits your requirements.

At each intersection of a row and column there is a switch. Whatever you need it s engineered and built here. An rf switch matrix is a system of discrete electronic components that are integrated to route radio frequency rf signals between multiple inputs and multiple outputs. Satellite engineering group seg.

Pmi offers a full product line of rf switch matrices that operate over the 20mhz to 40ghz frequency range. Use this guide to match your ni rf matrix rf multiplexer or mux rf relay or transfer switch model pxi or pxi express pxie device with a compatible cable and accessory to meet the needs of your application whether you are creating a new configuration replacing or expanding your current configuration or verifying that existing parts can be used in a different configuration. In the following examples mypte1 and mypte2 will be used as names of 2 declared switch objects.

Understanding Switch Topologies Ni

Understanding Switch Topologies Ni

Ni Pxi Pxie 2529 2 Wire 8 16 Matrix Topology Ni Switches Help National Instruments

Ni Pxi Pxie 2529 2 Wire 8 16 Matrix Topology Ni Switches Help National Instruments

Pxi Rf Switches Keysight

Pxi Rf Switches Keysight

Ni Pxi Pxie 2532 2532b 2 Wire 4 64 Matrix Topology Ni Switches Help National Instruments

Ni Pxi Pxie 2532 2532b 2 Wire 4 64 Matrix Topology Ni Switches Help National Instruments

The Ni Switchblock Carrier And The Analog Bus Ni Switches Help National Instruments

The Ni Switchblock Carrier And The Analog Bus Ni Switches Help National Instruments

Ni Pxi Pxie 2529 2 Wire 4 32 Matrix Topology Ni Switches Help National Instruments

Ni Pxi Pxie 2529 2 Wire 4 32 Matrix Topology Ni Switches Help National Instruments

Programming The Ni Switchblock Ni

Programming The Ni Switchblock Ni

Using Microsoft Excel And Ni Switch Executive In Test System Development National Instruments

Using Microsoft Excel And Ni Switch Executive In Test System Development National Instruments

Ni Switch Health Center Ni

Ni Switch Health Center Ni

Advanced Signal Routing With The Pxi Pxie 2593 And Scxi 1193 Rf Switches Ni

Advanced Signal Routing With The Pxi Pxie 2593 And Scxi 1193 Rf Switches Ni

L Band Switch Matrix L Band Matrix Switch

L Band Switch Matrix L Band Matrix Switch

Ni Pxi Pxie 2541 1 Wire 8 12 Matrix Topology Ni Switches Help National Instruments

Ni Pxi Pxie 2541 1 Wire 8 12 Matrix Topology Ni Switches Help National Instruments

What Are The Relay Names For My Ni Switch Device National Instruments

What Are The Relay Names For My Ni Switch Device National Instruments

Https Www Artisantg Com Info P 333hy Pdf

Https Www Artisantg Com Info P 333hy Pdf

Ni Pxi 2527 4 Wire 16 1 Multiplexer Topology Ni Switches Documentation

Ni Pxi 2527 4 Wire 16 1 Multiplexer Topology Ni Switches Documentation

Create Simulated Ni Daqmx Devices In Ni Max National Instruments

Create Simulated Ni Daqmx Devices In Ni Max National Instruments

Ni Pxi 2527 1 Wire Dual 32 1 Multiplexer Topology Ni Switches Documentation

Ni Pxi 2527 1 Wire Dual 32 1 Multiplexer Topology Ni Switches Documentation

Programming The Ni Switchblock In Ni Switch And Ni Daqmx Ni

Programming The Ni Switchblock In Ni Switch And Ni Daqmx Ni

How To Connect Signals To The Pxi 2530b Ni

How To Connect Signals To The Pxi 2530b Ni

Adding Routes Ni Switch Executive 2015 Help National Instruments

Adding Routes Ni Switch Executive 2015 Help National Instruments

Considerations When Using A Power Supply With A Switch Ni

Considerations When Using A Power Supply With A Switch Ni

Pxi Carrier Module For Switchblock National Instruments

Pxi Carrier Module For Switchblock National Instruments

Chapter 5 Application Examples Ni

Chapter 5 Application Examples Ni

Ni Switchblock Hardware Architecture Ni

Ni Switchblock Hardware Architecture Ni

How To Connect Signals To The Pxi Pxie 2532b Ni

How To Connect Signals To The Pxi Pxie 2532b Ni

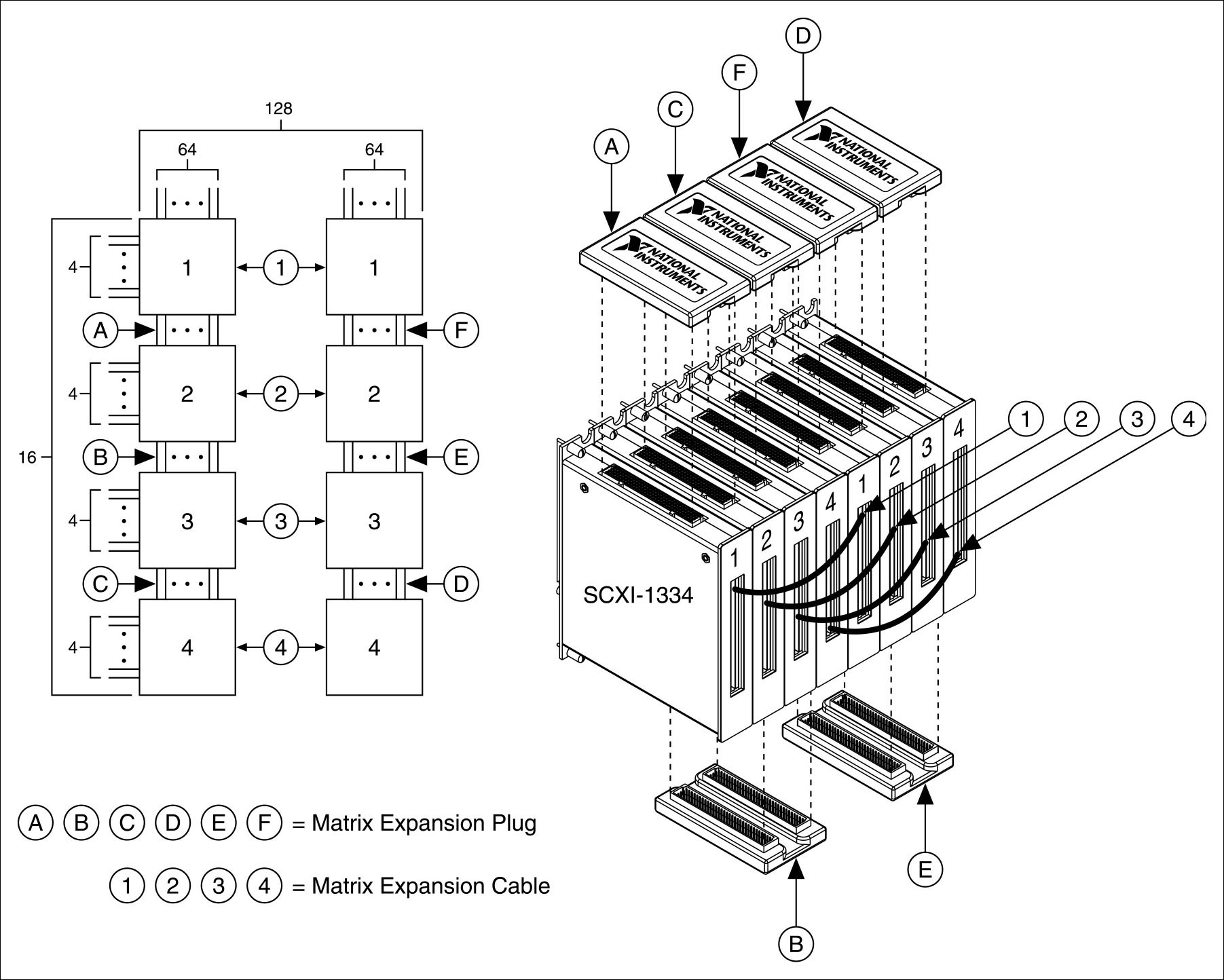
Creating A Large Scxi Switch Matrix Ni

Creating A Large Scxi Switch Matrix Ni

Hardware Handshaking With A Pxi Switch And Pxi Instrument Youtube

Hardware Handshaking With A Pxi Switch And Pxi Instrument Youtube

Simplify Your Dmm Top Five Tools And Tips Ni

Simplify Your Dmm Top Five Tools And Tips Ni

Switching And Multiplexing Ni

Switching And Multiplexing Ni

Characterize Batteries And Power Consumption Using The Ni Pxie 4081 7 Digit Digital Multimeter Ni

Characterize Batteries And Power Consumption Using The Ni Pxie 4081 7 Digit Digital Multimeter Ni

Using Max And Switch Executive

Using Max And Switch Executive

Ni Pxi Pxie 2531 1 Wire 4 128 Matrix Topology Ni Switches Help National Instruments

Ni Pxi Pxie 2531 1 Wire 4 128 Matrix Topology Ni Switches Help National Instruments

What Is Ni Switch Executive Ni

What Is Ni Switch Executive Ni

Pxi Rf Relay Module National Instruments

Pxi Rf Relay Module National Instruments

Tips And Tricks To Make The Switch To A Modular Smu Ni

Tips And Tricks To Make The Switch To A Modular Smu Ni

Bounce Ni Switches Documentation

Bounce Ni Switches Documentation

Ni Pxi 2527 Independent Topology Ni Switches Documentation

Ni Pxi 2527 Independent Topology Ni Switches Documentation

Medical Periodic Table

Medical Periodic Table

How To Connect Signals To The Ni 2529 Ni

How To Connect Signals To The Ni 2529 Ni

Mimo Channel Emulator For Pxie 564xr Ni Community National Instruments

Mimo Channel Emulator For Pxie 564xr Ni Community National Instruments

Performing High Accuracy Temperature Measurements Using A Ni Digital Multimeter And Switch National Instruments

Performing High Accuracy Temperature Measurements Using A Ni Digital Multimeter And Switch National Instruments

Part Ii How To Reduce Errors When Switching Low Current Signals National Instruments

Part Ii How To Reduce Errors When Switching Low Current Signals National Instruments

How To Upgrade Or Revert A Vi To A Different Version Of Labview Ni

How To Upgrade Or Revert A Vi To A Different Version Of Labview Ni

Improve Resistance Measurement Accuracy With 6 Wire Technique Ni

Improve Resistance Measurement Accuracy With 6 Wire Technique Ni

Source : pinterest.com